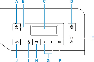
แผงการทำงาน

- A: สัญญาณไฟ พลังงาน(ON)
- ไฟจะกะพริบและติดสว่างเมื่อทำการเปิดเครื่อง
- B: ปุ่ม พลังงาน(ON)
-
สำหรับเปิดหรือปิดเครื่อง
- C: LCD (จอภาพผลึกเหลว)
- แสดงข้อความ รายการเมนู และสถานะการทำงาน
- D: ปุ่ม หยุด(Stop)
- ยกเลิกการทำงานเมื่อกำลังดำเนินการพิมพ์หรือในขณะที่เลือกเมนู
- E: สัญญาณไฟ เตือน(Alarm)
- สัญญาณไฟจะติดสว่างหรือกะพริบเมื่อเกิดข้อผิดพลาด
- F: ปุ่ม OK
- ทำให้การเลือกรายการเสร็จสมบูรณ์ นอกจากนี้ยังใช้เพื่อแก้ไขข้อผิดพลาด
- G: ปุ่ม
และ 
- ใช้สำหรับการเลือกรายการการตั้งค่า ปุ่มนี้ยังใช้ในเมื่อการป้อนอักขระ
- H: ปุ่ม ถอยหลัง(Back)
- ทำให้จอ LCD กลับไปยังหน้าจอก่อนหน้า
- I: ปุ่ม ตั้งค่า(Setup)
- แสดงหน้าจอ Setup menu ด้วยเมนูนี้ คุณสามารถทำการบำรุงรักษาเครื่องพิมพ์และเปลี่ยนการตั้งค่าเครื่องพิมพ์ ยังใช้สำหรับการเลือกโหมดการป้อน
- J: ปุ่ม เชื่อมต่อไร้สาย(Wireless connect)
- กดปุ่มนี้ค้างไว้เพื่อตั้งค่าข้อมูลเราเตอร์แบบไร้สายในเครื่องพิมพ์โดยตรงจากสมาร์ทโฟนหรืออุปกรณ์อื่น (โดยไม่ต้องดำเนินการใดๆ บนเราเตอร์)

