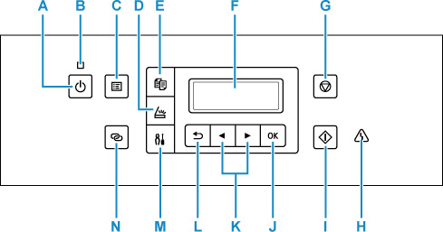
Kezelőpanel

- A: BE (ON) gomb
-
Be-, illetve kikapcsolja a készüléket. A készülék bekapcsolása előtt ellenőrizze, hogy a dokumentumfedél le van-e zárva.
- B: BE (ON) jelzőfény
- Villog, majd világít a készülék bekapcsolása után.
- C: MENÜ (MENU) gomb
- Megjeleníti a Másolás menü (Copy menu) vagy a Beolvasás menü (Scan menu) képernyőt.
- D: BEOLVASÁS (SCAN) gomb
- Ezzel a gombbal lehet a nyomtatót beolvasási módba kapcsolni.
- E: MÁSOLÁS (COPY) gomb
- Ezzel a gombbal lehet a nyomtatót másolási módba kapcsolni.
- F: LCD (folyadékkristályos kijelző)
- Üzenetek és menüelemek, illetve a műveletek állapotának megjelenítésére szolgál.
- G: Stop gomb
- Leállítja a folyamatban lévő nyomtatási, másolási vagy lapolvasási feladatot.
- H: Riasztás (Alarm) jelzőfény
- Hiba esetén világít vagy villog.
- I: Start gomb
- Elindítja a másolást, a beolvasást stb.
- J: OK gomb
- Véglegesíti a menü vagy beállítás kiválasztását. Ez a gomb a hibák elhárításához, valamint az ADF-ben (automatikus lapadagolóban) lévő dokumentumok kiadására is használható.
- K:
és
gomb -
Egy választási lehetőség kijelölésére szolgál. Karakterek is ezekkel a gombokkal adhatók meg.
- L: Vissza (Back) gomb
- Az LCD kijelző visszatér az előző képernyőre.
- M: Beállítások (Setup) gomb
- Megjeleníti a Beállítás menü (Setup menu) képernyőt. Ezzel a menüvel a nyomtató karbantartását végezheti el, és módosíthatja a nyomtató beállításait. A beviteli mód is ezzel választható ki.
- N: Vezeték nélküli kapcsolat (Wireless connect) gomb
- Ha anélkül, hogy az útválasztón hajtana végre valamilyen eljárást, közvetlenül okostelefonjáról vagy más hasonló eszközéről szeretné beállítani a nyomtató vezeték nélküli útválasztóval kapcsolatos adatait, akkor nyomja meg és tartsa nyomva ezt a gombot.

