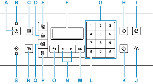
Bảng thao tác

- A: Nút BẬT(ON)
-
Bật hoặc tắt nguồn. Trước khi bật nguồn, đảm bảo đóng nắp tài liệu.
- B: Đèn nút BẬT(ON)
- Đèn sáng sau khi nhấp nháy khi bật nguồn.
- C: Nút MENU
- Hiển thị màn hình Menu sao(Copy menu), Menu quét(Scan menu) hoặc Menu FAX(Fax menu).
- D: Nút QUÉT(SCAN)
- Chuyển máy in sang chế độ quét.
- E: Nút SAO(COPY)
- Chuyển máy in sang chế độ sao chép.
- F: LCD (Màn hình tinh thể lỏng)
- Hiển thị thông báo, mục menu và trạng thái hoạt động.
- G: Các nút số
- Sử dụng để nhập giá trị số, như số lượng bản sao, cũng như số fax/số điện thoại và ký tự.
- H: Nút Đen(Black)
- Bắt đầu sao chép, quét, fax đen trắng, v.v.
- I: Nút Dừng(Stop)
- Hủy thao tác khi đang thực hiện công việc in, sao chép, quét hoặc truyền/nhận fax.
- J: Đèn Cảnh báo(Alarm)
- Sáng hoặc nhấp nháy khi xảy ra lỗi.
- K: Nút Màu(Color)
- Bắt đầu sao chép, quét, fax màu, v.v.
- L: Nút Tín hiệu số(Tone)
- Chuyển sang phát âm quay số tạm thời nếu kết nối máy in với đường xung xoay.
- M: Nút OK
- Hoàn tất việc chọn menu hoặc mục cài đặt. Nút này cũng được sử dụng để giải quyết lỗi hoặc đẩy tài liệu trong ADF (Bộ nạp tài liệu tự động) ra.
- N: Nút
và 
-
Được sử dụng để chọn mục cài đặt. Các nút này cũng được sử dụng để nhập ký tự.
- O: Nút Quay lại(Back)
- Trả LCD về màn hình trước đó.
- P: Nút Thiết lập(Setup)
- Hiển thị màn hình Menu thiết lập(Setup menu). Với menu này, bạn có thể thực hiện bảo trì máy in và thay đổi cài đặt máy in. Cũng được sử dụng để chọn chế độ nhập.
- Q: Nút FAX
- Chuyển máy in sang chế độ fax.
- R: Nút Kết nối không dây(Wireless connect)
- Để đặt thông tin bộ định tuyến không dây trong máy in trực tiếp từ một smartphone hoặc thiết bị tương tự khác (không cần thực hiện bất kỳ quy trình nào ở bộ định tuyến), nhấn giữ nút này.
- S: Đèn Bộ nhớ FAX(FAX Memory)
- Sáng khi có tài liệu đã nhận hoặc chưa gửi được lưu trữ trong bộ nhớ máy in.

