salt la textul principal

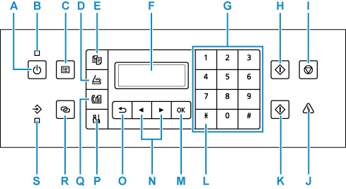
Panoul de operare

A: Butonul ACTIVARE (ON)

Opreşte sau porneşte imprimanta. Înainte de a activa alimentarea, asiguraţi-vă că aţi închis capacul pentru documente.

B: Lampa ACTIVARE (ON)
Luminează după ce clipeşte la pornirea alimentării.
C: Butonul MENIU (MENU)
Afişează ecranul Meniu Copiere (Copy menu), Meniu Scanare (Scan menu) sau Meniu Fax (Fax menu).
D: Butonul SCANARE (SCAN)
Comută imprimanta la modul de scanare.
E: Butonul COPIERE (COPY)
Comută imprimanta la modul de copiere.
F: LCD (Ecran cu cristale lichide)
Afişează mesaje, elemente de meniu şi starea de funcţionare.
G: Butoane numerice
Utilizate pentru a introduce valori numerice, cum ar fi numărul de copii, precum şi numere de fax/telefon şi caractere.
H: Butonul Negru (Black)
Porneşte copierea, scanarea, lucrul cu faxul alb-negru etc.
I: Butonul Oprire (Stop)
Anulează funcţionarea în timpul unei operaţiuni de imprimare, copiere, scanare sau transmitere/recepţie de fax aflată în desfăşurare.
J: Lampa Alarmă (Alarm)
Luminează sau clipeşte când survine o eroare.
K: Butonul Culoare (Color)
Porneşte copierea, scanarea, lucrul cu faxul color etc.
L: Butonul Ton (Tone)
Comută temporar la apelare de tip ton, dacă imprimanta este conectată la o linie de impulsuri.
M: Butonul OK
Finalizează selectarea unui meniu sau a unui element de setare. Acest buton se utilizează şi pentru a rezolva o eroare sau pentru a evacua documentele din ADF (alimentator automat de documente).
N: Butoanele stânga şi dreapta

Utilizat pentru a selecta un element de setare. Aceste butoane sunt, de asemenea, utilizate pentru a introduce caractere.

O: Butonul Înapoi (Back)
Readuce ecranul LCD la ecranul anterior.
P: Butonul Configurare (Setup)
Afişează ecranul Meniu Configurare (Setup menu). Cu acest meniu, puteţi să efectuaţi întreţinerea imprimantei şi să modificaţi setările acesteia. Utilizat, de asemenea, pentru selectarea modului de introducere.
Q: Butonul FAX
Comută imprimanta la modul fax.
R: Butonul Conectare wireless (Wireless connect)
Pentru setarea informaţiilor despre ruterul wireless în imprimantă direct de la un smartphone sau alte astfel de dispozitive (fără să se efectueze nicio procedură pe ruter), ţineţi apăsat acest buton.
S: Lampa Memorie FAX (FAX Memory)
Luminează când în memoria imprimantei sunt stocate documente recepţionate sau netrimise.