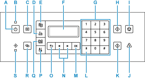
Betjeningspanel

- A: PÅ (ON)-knapp
-
Slår strømmen av eller på. Før du slår på strømmen, må du kontrollere at dokumentdekselet er lukket.
- B: PÅ (ON)-lampen
- Blinker og lyser når strømmen er slått på.
- C: MENY (MENU)-knapp
- Viser skjermbildet Kopimeny (Copy menu), Skannemeny (Scan menu) eller FAKS-meny (Fax menu).
- D: Knappen SKANN (SCAN)
- Setter skriveren i skannemodus.
- E: KOPIER (COPY)-knapp
- Setter skriveren i kopimodus.
- F: LCD-skjerm (Liquid Crystal Display)
- Viser meldinger, menyelementer og driftsstatus.
- G: Numeriske knapper
- Brukes til å angi numeriske verdier, for eksempel antall eksemplarer, faks- og telefonnumre og tegn.
- H: Knappen Svart (Black)
- Starter kopiering, skanning, faksing osv. i svart/hvitt.
- I: Knappen Stopp (Stop)
- Avbryter en utskrifts-, kopierings-, skanne-, faksoverførings- eller faksmottaksjobb.
- J: Alarm-lampe
- Lyser eller blinker når det oppstår en feil.
- K: Knappen Farge (Color)
- Starter kopiering, skanning, faksing osv. i farger.
- L: Tone-knapp
- Bytter midlertidig til toneoppringing hvis skriveren er koblet til en pulslinje.
- M: Knappen OK
- Fullfører valget av et meny- eller innstillingselement. Denne knappen brukes også til å korrigere feil eller løse ut dokumenter i ADF (automatisk dokumentmater).
- N:
- og
-knappene -
Brukes til å velge et innstillingselement. Disse knappene brukes også til å angi tegn.
- O: Knappen Tilbake (Back)
- LCD-skjermen går tilbake til forrige skjermbilde.
- P: Oppsett (Setup)-knappen
- Viser skjermbildet Oppsettmeny (Setup menu). Ved hjelp av denne menyen kan du utføre vedlikehold av skriveren eller endre skriverinnstillingene. Brukes også til å velge inndatamodus.
- Q: FAKS (FAX)-knapp
- Setter skriveren i faksmodus.
- R: Trådløs tilkobling (Wireless connect)-knapp
- For å angi informasjon om trådløs ruter på skriveren direkte fra en smarttelefon eller tilsvarende enhet (uten å måtte gjøre noen prosedyrer på ruteren), holder du nede denne knappen.
- S: FAKSminne (FAX Memory)-lampe
- Lyser når det er lagret mottatte eller usendte dokumenter i skriverens minne.

