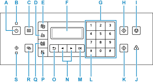
Valdymo skydelis

- A: Mygtukas Įjungti (ON)
-
Įjungia ar išjungia įrenginį. Prieš įjungdami maitinimą įsitikinkite, kad uždarytas dokumentų dangtis.
- B: Lemputė Įjungti (ON)
- Įjungus maitinimą iš pradžių mirksi, o vėliau pradeda šviesti.
- C: Mygtukas MENIU (MENU)
- Rodomas ekranas Kopijavimo meniu (Copy menu), Nuskaitymo meniu (Scan menu) arba Fakso meniu (Fax menu).
- D: Mygtukas SKENUOTI (SCAN)
- Įjungiamas spausdintuvo nuskaitymo režimas.
- E: Mygtukas KOPIJUOTI (COPY)
- Įjungiamas spausdintuvo kopijavimo režimas.
- F: LCD (skystųjų kristalų ekranas)
- Rodo pranešimus, meniu elementus ir veikimo būseną.
- G: Skaičių mygtukai
- Naudojami skaitinėms vertėms, pvz., kopijų skaičiui, taip pat fakso ir telefono numeriams bei ženklams, įvesti.
- H: Mygtukas Juoda (Black)
- Pradeda nespalvoto kopijavimo, nuskaitymo, darbo su faksogramomis ir pan. užduotis.
- I: Mygtukas Stop
- Atšaukia operaciją, kai vykdoma spausdinimo, kopijavimo, nuskaitymo arba faksogramos siuntimo / gavimo užduotis.
- J: Lemputė Įspėjimas (Alarm)
- Įvykus klaidai dega arba mirksi.
- K: Mygtukas Spalvota (Color)
- Pradeda vykdyti spalvoto kopijavimo, nuskaitymo, darbo su faksogramomis ir kt. užduotis.
- L: Mygtukas Tonas (Tone)
- Laikinai įjungiamas toninio numerio rinkimo režimas, jei spausdintuvas prijungtas prie impulsinės linijos.
- M: Mygtukas Gerai (OK)
- Baigiamas meniu arba parametro pasirinkimas. Šis mygtukas taip pat naudojamas klaidai pašalinti arba ADT (automatiniame dokumentų tiektuve) esantiems dokumentams išstumti.
- N: Mygtukai
ir 
-
Naudojamas parametro elementui pasirinkti. Šie mygtukai taip pat naudojami simboliams įvesti.
- O: Mygtukas Atgal (Back)
- Grąžinamas ankstesnis LCD ekranas.
- P: Mygtukas Sąranka (Setup)
- Rodomas ekranas Sąrankos meniu (Setup menu). Per šį meniu galite atlikti spausdintuvo priežiūros procedūrą ir keisti spausdintuvo parametrus. Taip pat naudojamas įvesties režimui pasirinkti.
- Q: Mygtukas FAKSOGRAMA (FAX)
- Įjungiamas spausdintuvo fakso režimas.
- R: Mygtukas Belaidis prisijungimas (Wireless connect)
- Norėdami nustatyti belaidžio maršruto parinktuvo informaciją spausdintuve tiesiogiai iš išmaniojo telefono ar kito tokio įtaiso (neatliekant jokios procedūros maršruto parinktuve), laikykite nuspaudę šį mygtuką.
- S: Lemputė FAKSOGRAMŲ atmintis (FAX Memory)
- Dega, kai spausdintuvo atmintyje saugoma gautų arba neišsiųstų dokumentų.

