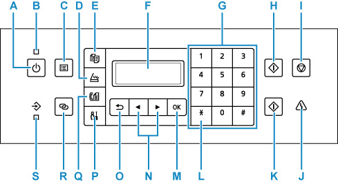
Pannello dei comandi

- A: Pulsante ON
-
Consente di accendere e spegnere la stampante. Prima di accendere la macchina, verificare che il coperchio dei documenti sia chiuso.
- B: Spia ON
- Lampeggia e si accende quando l'alimentazione è collegata.
- C: Pulsante MENU
- Consente di visualizzare la schermata Menu Copia (Copy menu), Menu Scansione (Scan menu) o Menu FAX (Fax menu).
- D: Pulsante SCANSIONE (SCAN)
- Consente di passare alla modalità scansione della stampante.
- E: Pulsante COPIA (COPY)
- Consente di passare alla modalità copiatura della stampante.
- F: LCD (Schermo a cristalli liquidi)
- Visualizza i messaggi, le voci di menu e lo stato di funzionamento.
- G: Pulsanti numerici
- Utilizzati per immettere valori numerici quali il numero di copie, numeri di fax/telefono e caratteri.
- H: Pulsante Nero (Black)
- Consente di avviare la copia, la scansione, l'invio di fax e così via in bianco e nero.
- I: Pulsante Stop
- Annulla un lavoro di stampa, copia, scansione o trasmissione/ricezione fax in corso.
- J: Indicatore di Allarme (Alarm)
- Si accende o lampeggia quando si verifica un errore.
- K: Pulsante Colore (Color)
- Consente di avviare la copia, la scansione, l'invio di fax e così via a colori.
- L: Pulsante Tono (Tone)
- Imposta temporaneamente la composizione a frequenza se la stampante è connessa a una linea con selezione a impulsi.
- M: Pulsante OK
- Conferma la selezione di un menu o di un'impostazione desiderata. Questo pulsante consente inoltre di risolvere un errore o di espellere i documenti nell'ADF (Alimentatore automatico documenti).
- N: Pulsanti
e 
-
Utilizzato per selezionare un elemento di impostazione. Questi pulsanti vengono utilizzati anche per immettere caratteri.
- O: Pulsante Indietro (Back)
- Il display LCD ritorna alla schermata precedente.
- P: Pulsante Impostazione (Setup)
- Consente di visualizzare la schermata Menu Impostazione (Setup menu). Con questo menu è possibile eseguire la manutenzione della stampante e modificare le impostazioni della stampante. Utilizzato anche per selezionare la modalità di input.
- Q: Pulsante FAX
- Consente di passare alla modalità fax della stampante.
- R: Pulsante Connessione wireless (Wireless connect)
- Per impostare le informazioni del router wireless nella stampante direttamente da uno smartphone o un altro dispositivo (senza dover eseguire alcuna procedura sul router), tenere premuto questo pulsante.
- S: Spia Memoria FAX (FAX Memory)
- Si accende se nella memoria della stampante sono archiviati documenti ricevuti o non inviati.

