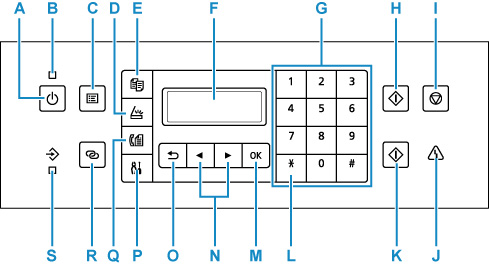
Panel Operasi

- A: Tombol DAYA(ON)
-
Menyalakan atau mematikan daya. Sebelum menyalakan daya, pastikan bahwa penutup dokumen tertutup.
- B: Lampu DAYA(ON)
- Menyala setelah berkedip ketika daya dinyalakan.
- C: Tombol MENU
- Menampilkan layar Menu Salin(Copy menu), Menu Pindai(Scan menu), atau Menu FAKS(Fax menu).
- D: Tombol PINDAI(SCAN)
- Mengalihkan pencetak ke mode pemindaian.
- E: Tombol SALIN(COPY)
- Mengalihkan pencetak ke mode penyalinan.
- F: LCD (Tampilan Kristal Cair)
- Menampilkan pesan, item menu, dan status pengoperasian.
- G: Tombol Numerik
- Digunakan untuk memasukkan nilai angka seperti jumlah salinan, serta nomor faks/telepon dan karakter.
- H: Tombol Hitam(Black)
- Memulai penyalinan, pemindaian, faks hitam & putih dan lainnya.
- I: Tombol Berhenti(Stop)
- Membatalkan operasi ketika tugas pencetakan, penyalinan, pemindaian, atau transmisi/penerimaan faks sedang berlangsung.
- J: Lampu Alarm
- Menyala atau berkedip ketika terjadi kesalahan.
- K: Tombol Warna(Color)
- Memulai penyalinan, pemindaian, faks berwarna, dan lainnya.
- L: Tombol Nada(Tone)
- Mengalihkan ke pemanggilan nada sementara jika pencetak Anda terhubung ke saluran mode pulsa.
- M: Tombol OK
- Menyelesaikan pemilihan menu atau item setelan. Tombol ini juga digunakan untuk mengatasi kesalahan atau mengeluarkan dokumen di dalam ADF (Penyalur Dokumen Otomatis).
- N: Tombol
dan 
-
Digunakan untuk memilih item setelan. Tombol ini juga digunakan untuk memasukkan karakter.
- O: Tombol Mundur(Back)
- Mengembalikan LCD ke layar sebelumnya.
- P: Tombol Pengesetan(Setup)
- Menampilkan layar Menu Pengesetan(Setup menu). Dengan menu ini, Anda dapat melakukan perawatan pencetak dan mengubah setelan pencetak. Juga digunakan untuk memilih mode input.
- Q: Tombol FAKS(FAX)
- Mengalihkan pencetak ke mode faks.
- R: Tombol Koneksi nirkabel(Wireless connect)
- Untuk mengeset informasi perute nirkabel pada pencetak secara langsung dari ponsel pintar atau perangkat serupa (tanpa pengoperasian apa pun pada perute nirkabel), tahan tombol ini.
- S: Lampu Memori FAKS(FAX Memory)
- Menyala ketika ada dokumen yang diterima atau tidak terkirim yang tersimpan dalam memori pencetak.

