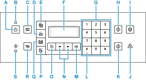
Kezelőpanel

- A: BE (ON) gomb
-
Be-, illetve kikapcsolja a készüléket. A készülék bekapcsolása előtt ellenőrizze, hogy a dokumentumfedél le van-e zárva.
- B: BE (ON) jelzőfény
- Villog, majd világít a készülék bekapcsolása után.
- C: MENÜ (MENU) gomb
- Megjeleníti a Másolás menü (Copy menu), a Beolvasás menü (Scan menu) vagy a FAX menü (Fax menu) képernyőt.
- D: BEOLVASÁS (SCAN) gomb
- Ezzel a gombbal lehet a nyomtatót beolvasási módba kapcsolni.
- E: MÁSOLÁS (COPY) gomb
- Ezzel a gombbal lehet a nyomtatót másolási módba kapcsolni.
- F: LCD (folyadékkristályos kijelző)
- Üzenetek és menüelemek, illetve a műveletek állapotának megjelenítésére szolgál.
- G: Számgombok
- Számok (például a másolatok száma vagy fax-/telefonszámok) és karakterek beírására szolgál.
- H: Fekete (Black) gomb
- Megnyomásával fekete-fehér másolás, beolvasás, faxolás stb. indítható.
- I: Stop gomb
- Megszakítja a műveletet, ha nyomtatás, másolás, beolvasás vagy faxküldés/-vétel van folyamatban.
- J: Riasztás (Alarm) jelzőfény
- Hiba esetén világít vagy villog.
- K: Színes (Color) gomb
- Megnyomásával színes másolás, beolvasás vagy faxolás indítható.
- L: Tónus (Tone) gomb
- Átmenetileg átvált hangkódos tárcsázásra, ha a nyomtató impulzushívásos vonalhoz csatlakozik.
- M: OK gomb
- Véglegesíti a menü vagy beállítás kiválasztását. Ez a gomb a hibák elhárításához, valamint az ADF-ben (automatikus lapadagolóban) lévő dokumentumok kiadására is használható.
- N:
és
gomb -
Egy választási lehetőség kijelölésére szolgál. Karakterek is ezekkel a gombokkal adhatók meg.
- O: Vissza (Back) gomb
- Az LCD kijelző visszatér az előző képernyőre.
- P: Beállítások (Setup) gomb
- Megjeleníti a Beállítás menü (Setup menu) képernyőt. Ezzel a menüvel a nyomtató karbantartását végezheti el, és módosíthatja a nyomtató beállításait. A beviteli mód is ezzel választható ki.
- Q: FAX gomb
- Ezzel a gombbal lehet a nyomtatót fax módba kapcsolni.
- R: Vezeték nélküli kapcsolat (Wireless connect) gomb
- Ha anélkül, hogy az útválasztón hajtana végre valamilyen eljárást, közvetlenül okostelefonjáról vagy más hasonló eszközéről szeretné beállítani a nyomtató vezeték nélküli útválasztóval kapcsolatos adatait, akkor nyomja meg és tartsa nyomva ezt a gombot.
- S: Faxmemória (FAX Memory) jelzőfény
- Akkor világít, amikor a nyomtató memóriájában fogadott vagy el nem küldött dokumentumok találhatók.

