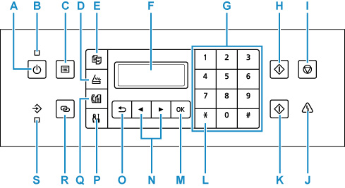
Juhtpaneel

- A: Nupp Sisse (ON)
-
Lülitab seadme toite sisse või välja. Enne seadme sisselülitamist veenduge, et dokumendi kaas on suletud.
- B: Märgutuli Sisse (ON)
- Kui toide on sisse lülitatud, siis märgutuli süttib pärast vilkumist.
- C: Nupp MENÜÜ (MENU)
- Kuvatakse järgmine ekraan Kopeerimise menüü (Copy menu), Skannimise menüü (Scan menu) või Faksi menüü (Fax menu).
- D: Nupp Skanni (SCAN)
- Lülitab printeri skannimisrežiimi.
- E: Nupp Kopeeri (COPY)
- Lülitab printeri kopeerimise režiimi.
- F: LCD (vedelkristallekraan)
- Kuvab teateid, menüüparameetreid ja seadme tööolekut.
- G: Numbrinupud
- Kasutatakse numbriväärtuste, nagu koopiate arvu ja faksi-/telefoninumbrite ning tähemärkide sisestamiseks.
- H: Nupp Must (Black)
- Käivitab mustvalge kopeerimise, skannimise, faksimise jne.
- I: Nupp Stopp (Stop)
- Katkestab töö, kui printimine, kopeerimine, skannimine või faksi ülekanne/vastuvõtmine on pooleli.
- J: Märgutuli Häire (Alarm)
- Tõrke ilmnemisel märgutuli süttib või vilgub.
- K: Nupp Värv (Color)
- Käivitab värvilise kopeerimise, skannimise, faksimise jne.
- L: Nupp Toon (Tone)
- Lülitab ajutiselt toonvalimisele, kui printer on ühendatud pöördkettaga impulssvalimise liiniga.
- M: Nupp OK
- Lõpetab menüü või sätteparameetri valimise. Seda nuppu kasutatakse ka tõrke lahendamiseks või dokumendi väljutamiseks ADF-ist (automaatsest dokumendisööturist).
- N: Nupud
ja 
-
Kasutatakse muudetava määrangu valimiseks. Neid nuppe kasutatakse ka märkide sisestamiseks.
- O: Nupp Tagasi (Back)
- Viib LCD-ekraani tagasi eelmisele kuvale.
- P: Nupp Seadistus (Setup)
- Kuvab ekraani Häälestusmenüü (Setup menu). Selle menüüga saate printerit hooldada ja muuta printeri määranguid. Kasutatakse ka sisestusrežiimi valimiseks.
- Q: Nupp Faks (FAX)
- Lülitab printeri faksirežiimi.
- R: Nupp Juhtmeta ühendus (Wireless connect)
- Teavet juhtmeta ruuteri määramiseks ja printeri otse nutitelefonist või seade (ilma teha iga kord ruuter), hoidke seda nuppu.
- S: Nupp Faksi mälu (FAX Memory)
- Süttib, kui printeri mällu on salvestatud vastuvõetud või saatmata dokumente.

