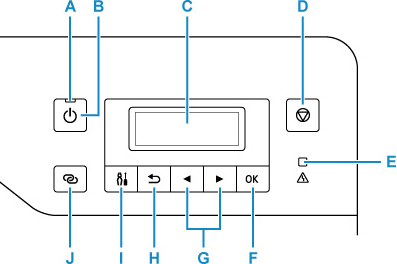
İşletim Paneli

- A: Açma (ON) lambası
- Güç düğmesi açıldığında yanıp söndükten sonra yanmaya devam eder.
- B: Açma (ON) düğmesi
-
Makineyi açar veya kapatır.
- C: LCD (Likit Kristal Ekran)
- Mesajları, menü öğelerini ve çalışma durumunu gösterir.
- D: Durdur (Stop) düğmesi
- Yazdırma devam ederken veya bir menü öğesi seçilirken işlemi iptal eder.
- E: Alarm lambası
- Bir hata oluştuğunda yanar veya yanıp söner.
- F: OK düğmesi
- Öğelerin seçimini sonlandırır. Hataları gidermek için de kullanılır.
- G:
ve
düğmeleri - Ayar öğesi seçmek için kullanılır. Bu düğmeler, karakter girmek için de kullanılır.
- H: Geri (Back) düğmesi
- LCD ekranını, önceki ekrana geri döndürür.
- I: Ayarlar (Setup) düğmesi
- Ayarlar menüsü (Setup menu) ekranını görüntüler. Bu menü ile, yazıcı bakımını gerçekleştirebilir ve veya yazıcının ayarlarını değiştirebilirsiniz. Giriş modunu seçmek için de kullanılır.
- J: Kablosuz bağlantı (Wireless connect) düğmesi
- Doğrudan bir akıllı telefondan veya benzer cihazdan (yönlendiricide işlem yapmadan) yazıcının kablosuz yönlendirici bilgilerini ayarlamak için bu düğmeyi basılı tutun.

