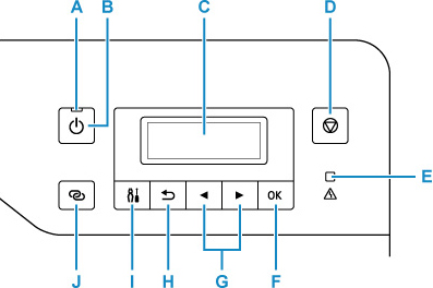
Nadzorna plošča

- A: Lučka VKLOP (ON)
- Ko je naprava vklopljena, najprej utripa in nato sveti.
- B: Gumb VKLOP (ON)
-
Vklopi in izklopi napravo.
- C: LCD (zaslon s tekočimi kristali)
- Prikaže sporočila, elemente menijev in stanje delovanja.
- D: Gumb Zaustavi (Stop)
- Prekliče postopek, ko poteka tiskanje ali ko izberete element menija.
- E: Lučka Alarm
- Ko pride do napake, zasveti ali utripa.
- F: Gumb OK
- Dokonča izbiro možnosti. Uporablja se tudi za odpravljanje napak.
- G: Gumba
in 
- Uporablja se za izbiro možnosti nastavitve. Ti gumbi se uporabljajo tudi za vnos znakov.
- H: Gumb Nazaj (Back)
- Zaslon LCD vrne na prejšnji zaslon.
- I: Gumb Nastavitve (Setup)
- Prikaže zaslon Nastavitveni meni (Setup menu). S tem menijem lahko vzdržujete tiskalnik in spreminjate nastavitve tiskalnika. Uporablja se tudi za izbiro način vnosa.
- J: Gumb Brezžična povezava (Wireless connect)
- Če želite informacije o brezžičnem usmerjevalniku v tiskalniku nastaviti neposredno iz pametnega telefona ali druge podobne naprave (ne da bo vam bilo treba uporabiti usmerjevalnik), pritisnite in pridržite ta gumb.

