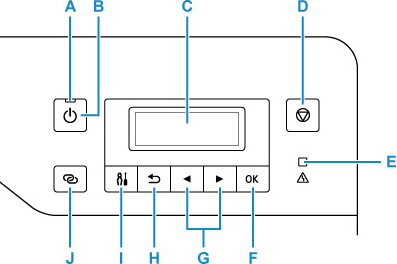
Käyttöpaneeli

- A: KÄYTÖSSÄ (ON)-merkkivalo
- Vilkkuu ensin ja jää sitten palamaan, kun virta kytketään.
- B: KÄYTÖSSÄ (ON)-painike
-
Kytkee tai katkaisee virran.
- C: LCD (nestekidenäyttö)
- Näyttää ilmoituksia, valikkokohdat ja laitteen toimintatilan.
- D: Pysäytä (Stop) -painike
- Peruuttaa toiminnon, kun tulostus on käynnissä tai kun valitaan valikkokohde.
- E: Häiriö (Alarm) -merkkivalo
- Palaa tai vilkkuu, kun tapahtuu virhe.
- F: OK -painike
- Vahvistaa kohteiden valinnan. Tällä painikkeella voidaan myös ratkaista virheitä.
- G:
- ja
-painikkeet - Käytetään asetuskohteen valitsemiseen. Näitä painikkeita käytetään myös merkkien syöttämiseen.
- H: Takaisin (Back) -painike
- Palauttaa edellisen näytön LCD-näyttöön.
- I: Asetukset (Setup) -painike
- Tuo näkyviin Asetusvalikko (Setup menu) -näytön. Tämän valikon avulla voit huoltaa tulostinta ja muuttaa tulostimen asetuksia. Käytetään myös syöttötilan valinnassa.
- J: Langaton yhteys (Wireless connect) -painike
- Voit asettaa langattoman reitittimen tiedot tulostimeen suoraan älypuhelimesta tai muusta laitteesta (tarvitsematta tehdä mitään toimenpidettä reitittimeen) pitämällä tätä painiketta painettuna.

