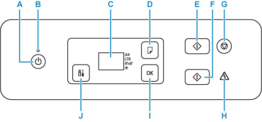
Kezelőpanel

- A: BE (ON) gomb
-
Be-, illetve kikapcsolja a készüléket. A készülék bekapcsolása előtt ellenőrizze, hogy a dokumentumfedél le van-e zárva.
- B: BE (ON) jelzőfény
- Villog, majd világít a készülék bekapcsolása után.
- C: LCD (folyadékkristályos kijelző)
-
Megjeleníti a példányszámot, a beüzemelési számot, a hibakódot vagy a különféle ikonokat.
- D: Papír kiválasztása (Paper Select) gomb
- Kiválaszthatja a nyomtató papírméretét.
- E: Fekete (Black) gomb
- Megnyomásával fekete-fehér másolás stb. indítható.
- F: Színes (Color) gomb
- Elindítja a színes másolást stb.
- G: Stop gomb
- Leállítja a folyamatban lévő nyomtatási vagy másolási feladatot.
- H: Riasztás (Alarm) jelzőfény
- Hiba esetén világít vagy villog.
- I: OK gomb
- Véglegesíti a kijelölt/kiválasztott elemeket. Ezzel a gombbal hiba is megoldható.
- J: Beállítások (Setup) gomb
- Válasszon ki egy menüpontot a nyomtató karbantartásának végrehajtásához és a nyomtató beállításainak módosításához.

