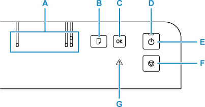
Панель керування

- A: Індикатор Папір (Paper)
- Індикатори залежать від поточного формату паперу.
- B: Кнопка Вибір паперу (Paper Select)
- Натисніть, щоб перемкнути формат паперу.
- C: Кнопка OK
- Завершення вибору формату паперу. Також використовується для усунення помилок.
- D: Індикатор УВІМК. (ON)
- Спочатку блимає, а потім світиться, коли вмикається живлення.
- E: Кнопка УВІМК. (ON)
-
Вмикає та вимикає живлення.
- F: Кнопка Стоп (Stop)
- Скасовує операцію під час виконання друку або вибору пункту меню.
- G: Індикатор Попередження (Alarm)
- Світиться або блимає, коли виникає помилка.

