pāriet uz galveno tekstu

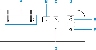
Darbības panelis

A: Indikators Papīrs (Paper)
Iedegšanās ir atkarīga no pašreizējā papīra lieluma.
B: Poga Papīra atlase (Paper Select)
Nospiediet, lai mainītu papīra lielumu.
C: Poga Labi (OK)
Finalizē papīra lielumu. Izmanto arī, lai novērstu kļūdas.
D: Indikators Iesl. (ON)
Pēc mirgošanas iedegas, kad ir ieslēgta strāvas padeve.
E: Poga Iesl. (ON)

Ieslēdz vai izslēdz strāvas padevi.

F: Poga Beigt (Stop)
Atceļ darbību, ja notiek drukāšana vai tiek atlasīts izvēlnes vienums.
G: Indikators Trauksme (Alarm)
Iedegas vai mirgo, ja rodas kļūda.