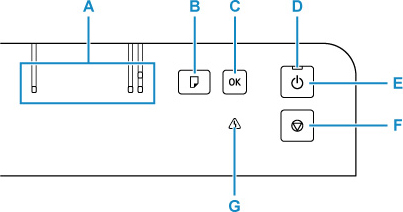
Juhtpaneel

- A: Märgutuli Paber (Paper)
- Süttib praegusest paberiformaadist sõltuvalt.
- B: Nupp Paberi valimine (Paper Select)
- Vajutage paberiformaadi vahetamiseks.
- C: Nupp OK
- Kinnitab paberiformaadi. Kasutatakse ka tõrgete lahendamiseks.
- D: Märgutuli Sisse (ON)
- Kui toide on sisse lülitatud, siis märgutuli süttib pärast vilkumist.
- E: Nupp Sisse (ON)
-
Lülitab seadme toite sisse või välja.
- F: Nupp Stopp (Stop)
- Katkestab käimasoleva printimise ajal või menüü-üksuse valimisel toimingu.
- G: Märgutuli Häire (Alarm)
- Tõrke ilmnemisel märgutuli süttib või vilgub.

